8 (800) 775 40 55
Звонок из регионов России
бесплатный!
бесплатный!
Профессиональный строительный инструмент и оборудование
Каталог инструментов
Промышленный нагреватель воздуха Forsthoff Model 5000
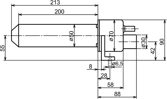
Промышленный нагреватель воздуха Forsthoff Model 5000 (Форстхофф Модель 3000) – фен промышленный для сварки горячим воздухом, предназначенный для промышленного применения в различных технологических процессах для термоусадки, сушки поверхностей, формовки изделий из термопластов, полипропиленов и прочего; на конвейерах; в нагревательных каналах и т.д.
Производитель: FORSTHOFF (ФОРСТХОФФ) – Германия.
Преимущества промышленного нагревателя воздуха Forsthoff Model 5000:
- Требования к внешней подаче воздуха: 500 – 1500 л/мин (в зависимости от сопла)
- Надежная, простая и жесткая конструкция с металлическим корпусом, без экрана термонагревателя, без регулятора мощности термонагревателя или прочей электроники
- Простая замена нагревательного элемента: необходимо отвернуть 4 болта и снять корпус нагревателя
- Предлагается с различными 3-х спиральными нагревательными элементами с питанием от сети 230 В или 400 В, с различной мощностью спиралей. Внешние коммутации позволяют изменять совокупную мощность спиралей
- Конструкция и материалы рассчитаны на нагрев воздуха до температуры не выше 700°С. Очевидно, что температура воздуха на выходе из нагревателя определяется тремя величинами: совокупной мощностью спиралей нагревателя; начальной температурой воздуха; потоком воздуха. Например, если поток воздуха 220 л/мин, то 3-х киловаттный нагреватель нагреет его на ΔТ = 680°С. Это значит, что если температура воздуха на входе в нагреватель будет 20°С, то на выходе из нагревателя – 700°С. Таким образом, для 3-х киловаттного нагревателя минимально допустимый поток воздуха – 220 л/мин. При большем потоке температура воздуха на выходе из нагревателя будет ниже. При меньшем потоке нагревательный элемент быстро сгорит
- Устанавливаются любые сопла с посадочным Ø 50 мм (F4030, F4031 и F4021, F4022). Принимая во внимание стационарную установку термонагревателя, в первую очередь рекомендуются плоские щелевые сопла F4021 и F4022, предназначенные для равномерного термонагрева больших поверхностей
| Артикул | Напряжение | Мощность |
| F3108 | 230 В | 2200 + 2800 = 5000 Вт |
| F3109 | 230 В | 3 × 1000 = 3000 Вт |
| F3110 | 400 В | 3 × 1000 = 3000 Вт |
| F3111 | 230 В | 3 × 1700 = 5100 Вт |
| F3112 | 400 В | 3 × 1700 = 5100 Вт |
| F3114 | 230 В | 3 × 2000 = 6000 Вт |
| F3115 | 400 В | 3 × 2000 = 6000 Вт |
| F3116 | 230 В | 3 × 2500 = 7500 Вт |
| F3117 | 400 В | 3 × 2500 = 7500 Вт |
| Изображение | Артикул | Наименование |
| F4030 | Плоское щелевое сопло 70 × 10 мм | |
| F4031 | Плоское щелевое сопло 70 × 4 мм | |
| F4021 | Щелевое сопло 150 × 1 мм | |
| F4022 | Щелевое сопло 150 × 10 мм |
Цена и технические характеристики промышленного нагревателя воздуха Forsthoff Model 5000:
Технический паяльный фен
-
Точильно шлифовальный станок Alteco BG 350-200Шлифовальный круг: 200 x 20 x 16 ммМощность: 350 ВтЦена: 5 954 руб.
-
Трубогиб электрический гидравлический Kern до 2Диаметр труб: 1/2" - 2"Мощность: 0,75 кВтЦена: 171 934 руб.
-
Алмазная коронка для сухого сверления подрозетников с микроударом Адель Diamond Hit DH-D400 72/65 ммДиаметр: 72 ммРабочая длина: 65 ммЦена: 5 500 руб.
-
Алмазная коронка для сухого бурения с микроударом Адель Diamond Hit DH-D401 200 ммДиаметр: 200 ммРабочая длина: 450 ммЦена: 25 200 руб.
-
Алмазные коронки по железобетону Kern Diamond Bit Concrete Premium 182 ммДиаметр: 182 ммРабочая длина: 450 ммЦена: 23 200 руб.
-
Коронка алмазная для подрозетников Keos Professional M16-SDS Plus 72/70 ммДиаметр: 72 ммРабочая длина: 60 ммЦена: 2 690 руб.
-
Алмазные коронки по железобетону Kern Diamond Bit Concrete Premium 82 ммДиаметр: 82 ммРабочая длина: 450 ммЦена: 9 500 руб.
-
Алмазная коронка для сухого бурения с микроударом Адель Diamond Hit DH-D401 182 ммДиаметр: 182 ммРабочая длина: 450 ммЦена: 22 800 руб.
Новости
-
26.11.2025Новые поступления для серьёзной работы: спираль и адаптер от Crocodile
-
21.11.2024Поступление желобонакатчиков GruvMaster - Новинка на Российском рынке!
-
27.12.2023С новым 2024 годом!
-
20.12.2022Режим работы в Новогодние праздники
-
12.10.2022ФСБ сообщила о попытке теракта с ПЗРК «Игла» в Подмосковье




Отзывы
Оставьте Ваш отзыв